NOJB226M010RWJ
Niobium Oxide Capacitors 10volts 22uF 20%
Manufacturer AVX Corporation
Weight 0kg
This item has been added to your cart.
Should I order it along with the items in my shopping cart?
Precautions when purchasing
The purchasing quantity and payment amount is based on REEL unit, and please give an order after checking surely.
구매수량과 결제 금액은 릴단위 금액이며 반드시 확인 후 주문하여 주시기 바랍니다.

Polymer, Tantalum and Niobium Oxide Capacitors
Automotive Applications Brochure
| Manufacturer | AVX Corporation |
|---|---|
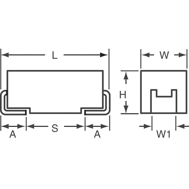
| Description | CAP NIOB OXIDE 22UF 20% 10V 1210 |
| Voltage - Rated | 10V |
| Tolerance | ±20% |
| Supplier Device Package | 1210 (3528 Metric) |
| Size / Dimension | 0.138" L x 0.110" W (3.50mm x 2.80mm) |
| Series | OxiCap® NOJ |
| Packaging | Reel |
| Package / Case | 1411 (3528 Metric) |
| Operating Temperature | -55°C ~ 105°C |
| Mounting Type | Surface Mount |
| Manufacturer Size Code | B |
| Height - Seated (Max) | 0.083" (2.10mm) |
| Features | - |
| ESR (Equivalent Series Resistance) | 1.8 Ohm |
| Dissipation Factor | 6% |
| Current - Leakage | 4.4µA |
| Capacitance | 22µF |








Price Policy
To remove stock, for Special Sale items, we are proceeding under the price which is less than the prime cost temporarily according to limited quantity/special price policy. Please pay attention to this.
Delivery fee Guidance
Domestic delivery fee :
Kyung Dong Logistics 1BOX 5,500won / Extra fee charged for mountain areas and islands(cash on arrival)
Overseas delivery fee :
Standard applied for overseas delivery fee
- We do T/T Advanced Payment for air shipment.
- For sea shipment, we do EXW(EX works) Advanced Payment. However when the purchaser cannot perform export and import process directly or indirectly, the discussion for FCA condition is possible.
#For products ordered, a customs fee or import duty of delivered country can be charged.
Receiver is always responsible for this fee. Please refer to commission information or tariff/additional tax information for details.
For Exchange and Return
1. For exchange and return because of product’s defect or wrong delivery, we can only handle this when you contact the customer center within 3 days after getting products. If you send arbitrarily or the product arrives after the period, this product can be sent back. Therefore, we would like to ask you careful purchase.
2. For overseas delivery items, if delivery is on ready, because overseas delivery was already proceeded, product’s exchange or cancel would be impossible or cancel fee can be charged. Please do the cautious purchase.
3. Return is not possible when the purchaser buys wrong product’s for his/her mistake.
4. Exchange or Return due to simple remorse is not possible for ordered spec and cutting products. Please make careful purchase.
5. Kyung Dong Logistics is available for Mariotronics. If you use other courier company and extra fee is made, you have to take responsibility for extra logistics fee.
The cases where Exchange/Return or Refund is impossible
1. Products which passed exchange/return period
2. When reselling is not possible because value of commodities is damaged due to user’s carelessness and natural disaster (usage trace, damages etc.)
3. In case of overseas sales, product exchange is not possible. Please make a cautious purchase.
Guide for registering exchange and return
1. Please register within 7 days through homepage mail inquiry or one on one inquiry bulletin board.
2. If you fill in your name, contact number, reason for exchange or return in detail, we could help you more exactly and promptly.
3. Exchange or Return Address :
32, 140 beon-an gil, Gongdan-ro, Gunpo-si, Gyeonggi-do, Republic of Korea
MARIO TRONICS Co., LTD. 5F
After registering return on your own with cash on arrival, please send the products re-packaged again.
All rights of this image reserved for MARIOTRONICS and we do not allow any unauthorized use or modification.
*해당 이미지의 저작권은 마리오트로닉스에 있으며 무단 사용 및 수정을 전면 금지합니다.
For inquiry about large quantity purchasing discount, please feel free to ask customer center(cs@mario-tronics.com)
대량구매할인 문의는 고객센터(cs@mario-tronics.com)로 문의해주세요.
Precautions when purchasing
The purchasing quantity and payment amount is based on REEL unit, and please give an order after checking surely.
구매수량과 결제 금액은 릴단위 금액이며 반드시 확인 후 주문하여 주시기 바랍니다.

Polymer, Tantalum and Niobium Oxide Capacitors
Automotive Applications Brochure
| Manufacturer | AVX Corporation |
|---|---|
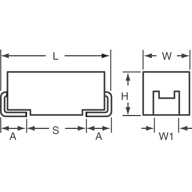
| Description | CAP NIOB OXIDE 22UF 20% 10V 1210 |
| Voltage - Rated | 10V |
| Tolerance | ±20% |
| Supplier Device Package | 1210 (3528 Metric) |
| Size / Dimension | 0.138" L x 0.110" W (3.50mm x 2.80mm) |
| Series | OxiCap® NOJ |
| Packaging | Reel |
| Package / Case | 1411 (3528 Metric) |
| Operating Temperature | -55°C ~ 105°C |
| Mounting Type | Surface Mount |
| Manufacturer Size Code | B |
| Height - Seated (Max) | 0.083" (2.10mm) |
| Features | - |
| ESR (Equivalent Series Resistance) | 1.8 Ohm |
| Dissipation Factor | 6% |
| Current - Leakage | 4.4µA |
| Capacitance | 22µF |








Price Policy
To remove stock, for Special Sale items, we are proceeding under the price which is less than the prime cost temporarily according to limited quantity/special price policy. Please pay attention to this.
Delivery fee Guidance
Domestic delivery fee :
Kyung Dong Logistics 1BOX 5,500won / Extra fee charged for mountain areas and islands(cash on arrival)
Overseas delivery fee :
Standard applied for overseas delivery fee
- We do T/T Advanced Payment for air shipment.
- For sea shipment, we do EXW(EX works) Advanced Payment. However when the purchaser cannot perform export and import process directly or indirectly, the discussion for FCA condition is possible.
#For products ordered, a customs fee or import duty of delivered country can be charged.
Receiver is always responsible for this fee. Please refer to commission information or tariff/additional tax information for details.
For Exchange and Return
1. For exchange and return because of product’s defect or wrong delivery, we can only handle this when you contact the customer center within 3 days after getting products. If you send arbitrarily or the product arrives after the period, this product can be sent back. Therefore, we would like to ask you careful purchase.
2. For overseas delivery items, if delivery is on ready, because overseas delivery was already proceeded, product’s exchange or cancel would be impossible or cancel fee can be charged. Please do the cautious purchase.
3. Return is not possible when the purchaser buys wrong product’s for his/her mistake.
4. Exchange or Return due to simple remorse is not possible for ordered spec and cutting products. Please make careful purchase.
5. Kyung Dong Logistics is available for Mariotronics. If you use other courier company and extra fee is made, you have to take responsibility for extra logistics fee.
The cases where Exchange/Return or Refund is impossible
1. Products which passed exchange/return period
2. When reselling is not possible because value of commodities is damaged due to user’s carelessness and natural disaster (usage trace, damages etc.)
3. In case of overseas sales, product exchange is not possible. Please make a cautious purchase.
Guide for registering exchange and return
1. Please register within 7 days through homepage mail inquiry or one on one inquiry bulletin board.
2. If you fill in your name, contact number, reason for exchange or return in detail, we could help you more exactly and promptly.
3. Exchange or Return Address :
32, 140 beon-an gil, Gongdan-ro, Gunpo-si, Gyeonggi-do, Republic of Korea
MARIO TRONICS Co., LTD. 5F
After registering return on your own with cash on arrival, please send the products re-packaged again.
All rights of this image reserved for MARIOTRONICS and we do not allow any unauthorized use or modification.
*해당 이미지의 저작권은 마리오트로닉스에 있으며 무단 사용 및 수정을 전면 금지합니다.
For inquiry about large quantity purchasing discount, please feel free to ask customer center(cs@mario-tronics.com)
대량구매할인 문의는 고객센터(cs@mario-tronics.com)로 문의해주세요.